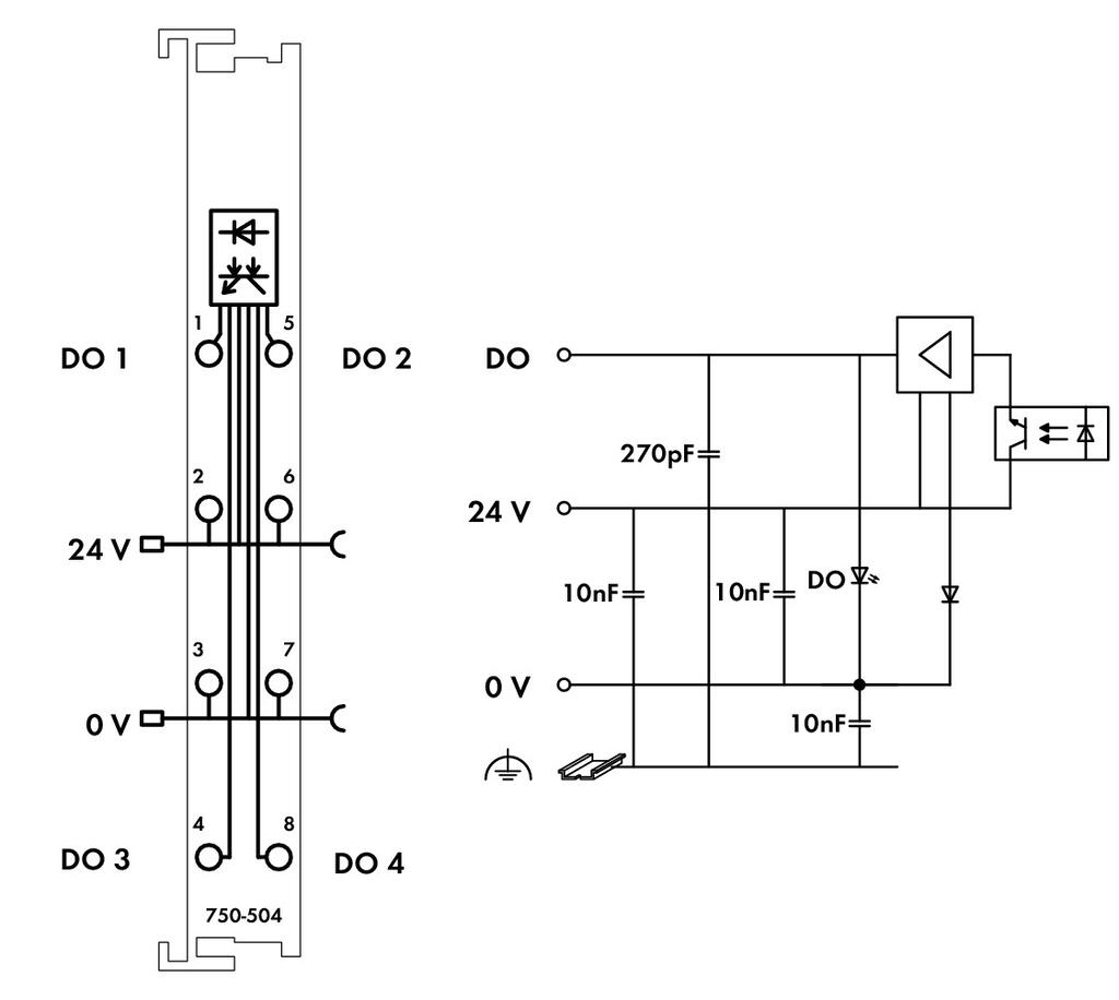
750-504 4 kanallı dijital çıkış
%50
3.412,53 TL
6.825,06 TL
(Kdv dahil)
Kategori
Marka
Stok Kodu
750-504
Fiyat
114,90 EUR + KDV
* 330,45 TL den başlayan taksitlerle!
I/O SİSTEMLERİ
Kumanda panosunun hem içinde hem de dışında optimum otomasyon için: Tüm uygulamalar ve ortamlar için esnek IP20 ve IP67 uzak I/O sistemleri.
WAGO'nun I/O Sistemleri ile avantajlarınız:
- Fieldbus'dan bağımsız: Tüm standart fieldbus protokolleri ve ETHERNET standartları ile uyumlu
- Neredeyse her uygulama için kullanılabilir oldukça çeşitli I/O modülleri
- Dünya çapında kullanım için uluslararası ve ulusal onaylar
- Etiketleme ve bağlantı teknolojisi için oldukça geniş aksesuar yelpazesi
- IP20 I/O sistemleri – hızlı, titreşime dayanıklı ve bakım gerektirmeyen bağlantılar için CAGE CLAMP® ile donatılmış
Dijital giriş modülü dijital saha aygıtlarından gönderilen (sensörler, vb.) kontrol sinyalini alır.
Her giriş modülünde bir gürültü bastırma filtresi bulunur. Bu filtre farklı zaman sabitleriyle kullanılabilir.
Saha ve sistem düzeyleri elektrik yalıtımlıdır.
Ayrıntılar


